LS-RW Superior is a line selector that switches between input and output signals via RCA connectors.
The audio room is made gorgeous by the beautiful appearance as well as the consideration to the sound quality by the high rigidity body and the low center of gravity structure.
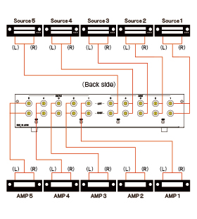
It is possible to switch 5 amplifiers (preamplifier or pre-main amplifier) from 5 sources as a multi selector.
|
|
 |
Blocks vibration and external noise.
We block vibration and foreign noise having a bad influence on sound quality by thick board case and low center of gravity structure with high damping effect.
Gold-plated RCA terminals are used.
Gold-plated RCA terminals for input and output terminals provide highly reliable contacts.
Comes with mounting blanket.
It is possible to install in 19 inches rack by using attached mounting blanket (2U size). |
|
 |
| input : 5 output : 5 |
| Switching device : |
rotary switch,
Non short-circuit Simultaneous two poles +- switching |
| Circuit resistance : |
15mΩ or less between COM and each output |
| Terminal : |
Gold-plated RCA terminal |
| Internal wiring : |
ORB J7 Line Cable |
| Size : |
W:430×D:183×H97 mm |
| Weight : |
4.5kg |
| Accessories : |
Mounting blanket |
| Country of manufacture : |
Made in JAPAN |